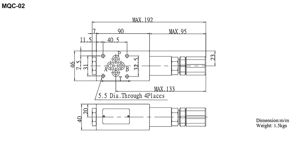
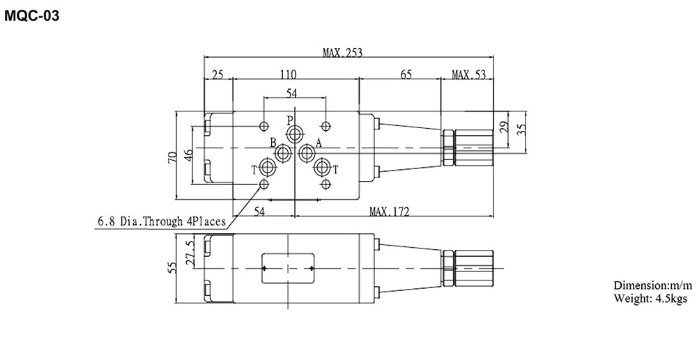
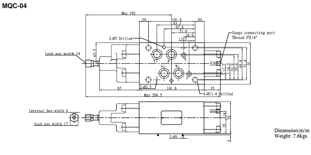
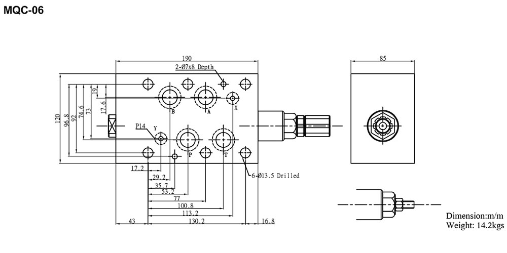
MQC
為防止垂直附載因重力而自由落下,可在執(zhí)行器的回油迴路上裝抗衡閥,施加壓力,防止自重墜落
特性
- 此抗衡閥可使用A、B孔抗衡壓力。
- 有內洩漏,所以出口直接通油箱。
| 型式號碼 | 最大壓力 (KG/CM2) | 最大流量 (L/MIN) |
|---|---|---|
| MQC-02A (B) | 210 | 35 |
| MQC-03A (B) | 70 | |
| MQC-04A (B) | 300 | |
| MQC-06A (B) | 180 |




MQC為防止垂直附載因重力而自由落下,可在執(zhí)行器的回油迴路上裝抗衡閥,施加壓力,防止自重墜落
| 型式號碼 | 最大壓力 (KG/CM2) | 最大流量 (L/MIN) |
|---|---|---|
| MQC-02A (B) | 210 | 35 |
| MQC-03A (B) | 70 | |
| MQC-04A (B) | 300 | |
| MQC-06A (B) | 180 |



